552

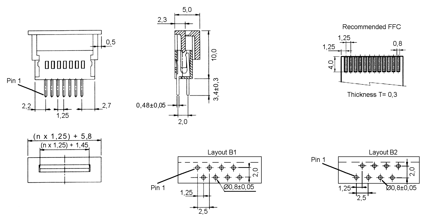
ZIF Connectors for FFC / FPC, 1.25mm Pitch, Straight / Right Angled

Go to configuration
Note

Technical Data

Insulator Thermoplastic, rated UL94 V-0
Contact Material Copper alloy
Contact Surface Tin plated over nickel
Contact Resistance < 20 mΩ
Insulation Resistance > 500 MΩ
Test Voltage 500 V AC
Voltage Rating 60 V AC
Current Rating 1 A
Temperature Range -20 °C ... +85 °C
Processing Wave soldering

Downloads

Data Sheet download

Configure your product

Select the desired configuration:

Series
Please select 1 option
552
Contacts
Please select 1 option
03-32
Type
Please select 1 option
30 Top entry
10 Side entry (PCB-Layout B2 only)
Layout
Please select 1 option
1 PCB-Layout B1
2 PCB-Layout B2
Add to inquiry basket

Technical Information