Technische Daten
 Isolierkörper Thermoplast, nach UL94 V-2 (UL94 V-0 auf Anfrage) 
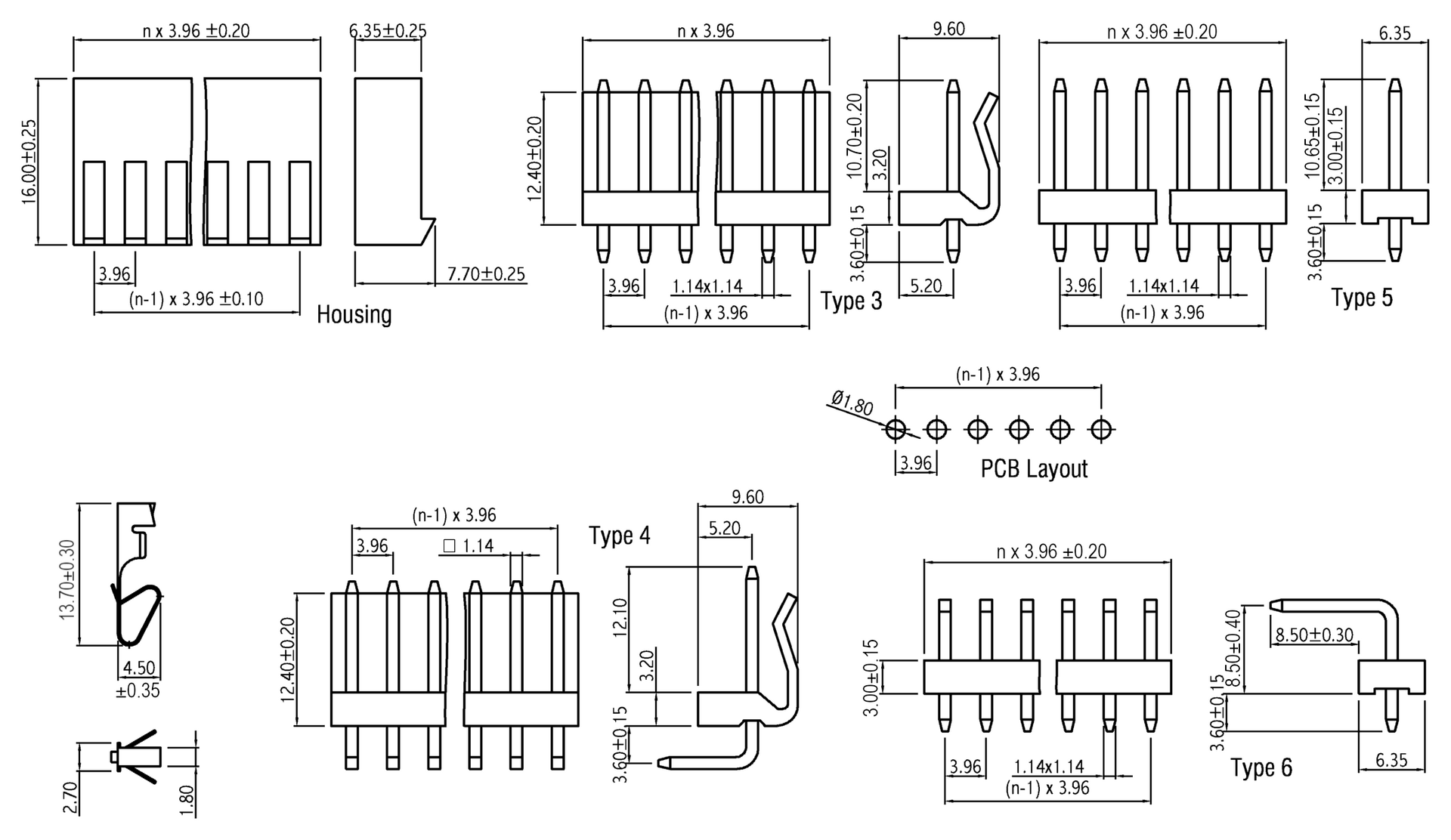
  Kontaktmaterial Vierkantstift 1,14mm, Kupferlegierung 
  Aderquerschnitt AWG 24 ~ 18 
  Durchgangswiderstand < 20 mΩ 
  Isolationswiderstand > 1000 MΩ 
  Spannungsfestigkeit 1,5 kV AC 
  Nennspannung 250 V AC 
  Nennstrom 5 A 
  Temperaturbereich -25 °C ... +85 °C 
  Verarbeitung Wellenlötverfahren 
 Downloads
  Datenblatt  herunterladen 
  
 